首页
|
关于协会
|
行业资讯
|
会员名片
|
法律法规
|
等级评定
|
培训沙龙
|
会员服务
|
查询
|
人才招聘
·我会2017年度重点工作...
·319活动在民族广场成...
·关于召开南宁市环境卫...
关于协会
协会新闻
国内信息
招标信息
专题报道
图片报道
协会新闻
您当前的位置:
首页
>
行业资讯
>
协会新闻
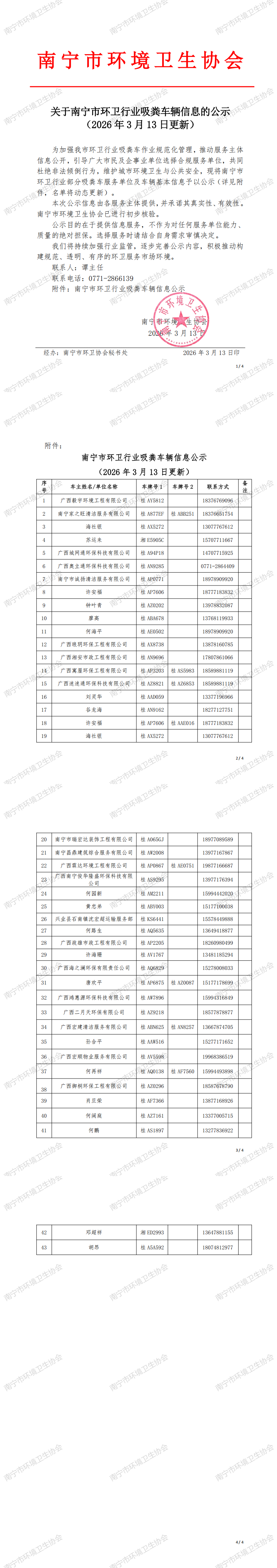
关于南宁市环卫行业吸粪车辆信息的公示(20260313更新)
2026-03-13 17:11:58 来源: 阅读量: 239
上一篇:关于南宁市环卫行业吸粪车辆信息的公示(20260306更新)
下一篇:关于职业技能等级认定成绩的公示(计划编码:260304S0000450110140011)
联系我们
QQ: 1420726925
电话: 0771-2866139
邮箱:NNHWXH@163.com
地址: 广西南宁市兴宁区中华路47号
首 页
|
关于协会
|
行业动态
|
会员名片
|
法律法规
|
等级评定
|
培训沙龙
|
会员服务
|
查询
在线客服电话:0771—2866139
在线客服QQ:1420726925
地址:广西南宁市兴宁区中华路47号
Copyright 2007-2012 清大绿能科技股份有限公司 All Right Reserved 备案号:
桂ICP备17005051号
技术支持:
久鑫网络
桂公网安备 45010202000321号